關於駿融
|
客戶服務
|
聯繫我們
|
公司簡介
|
產品介紹
|
感測器配套儀錶
|
數字面板表
|
感測器技術應用與選型
|
聯繫我們
|
首頁
|
::GPT2000系列普通壓力變送器::
.
GPT2016型壓力變送器
.
GPT2026型壓力變送器
.
GPT2036型壓力變送器
.
GPT2046型壓力變送器
::GPT3000系列智慧壓力變送器::
.
GPT3016/3026/3036智能壓力變送器
.
GPT3046/3056智能壓力變送器
::GPT4000系列普通/差壓變送器::
.
GPT4016/4026/4036普通變送器
.
GPT4116/4126/4136單法蘭隔膜變送器
.
GPT4216/4226/4236遠傳隔膜變送器
::GPT5000系列智慧壓力/差壓變送器::
.
GPT5016/5026/5036智能變送器
.
GPT5046/5056智能變送器
.
GPT5116/5126/5136單法蘭隔膜變送器
.
GPT5146/5156單法蘭隔膜智能變送器
.
GPT5216/5226/5236遠傳隔膜變送器
.
GPT5246/5256遠傳隔膜只能變送器
::精密數位壓力儀錶::
.
GPSI型精密數位壓力錶
.
GPSII精密數位壓力錶
.
GPSIII型精密數位壓力錶
::可擕式壓力校驗儀::
.
GPGI型可擕式壓力校驗儀
.
GPGII可擕式壓力校驗儀
::其他產品::
.GWP型風壓變送器
.
GSI型多路配電器
GWP型風壓變送器
概述
:
GWP型風壓變送器是專門用於鍋爐風壓或其他場合的微壓/微差
壓測量的兩線制儀錶。該儀錶採用先進的高精度、低漂移進口
微差壓感測器,將管道內的風壓/微差壓準確變送為4∼20mADC
信號輸出,是目前國內火電廠測量鍋爐風壓較為先進的產品。
主要技術指標
1、測量形式:差壓、壓力。 2、量程範圍:用戶指定。
3、精度等級:0.5級。 4、輸出信號:兩線制4∼20mADC。
5、負載電阻最大值 Rmax=50×(Us-12)Ω, Us為電源電壓。
6、工作溫度:-40∼85℃。
7、環境溫度:-10∼70℃ 環境濕度:≤85%RH。
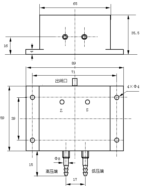
8、外形尺寸、開孔尺寸:(見風壓變送器外形示意圖)
9、電源:12∼36VDC。 10、穩定性:0.2%FS/年。
11、超載能力:標稱量程的3倍。
結構及外形尺寸
電氣連接
古城熱線
新浪新聞
網 易
新 敏 郵 箱
您的位置
您的位置
您的位置
您的位置
地址:西安市長安北路40號電子大樓407室
電話:(029)85363083 85226221 13008415610
傳真:(029)85261713
E-MAIL:xinmin@dzdl.com