| ◆ 一、產品簡介: |
|
JCYZ201通用小型差壓感測器採用進口高精度、高穩定性力敏芯
|
 |
|
片,經嚴格精密的溫度補償而製成。 |
|
可廣泛用於非腐蝕性氣體的差壓、流量、風道壓力的測量。 |
|
通用小型差壓感測器採用表面有矽凝膠保護的力敏晶片製造。適 |
|
合於測量氣體等非腐蝕性介質。 |
| ◆ 二、技術參數: |
| 量程 |
Kpa |
0∼2……1000 |
| 壓力形式 |
差壓 |
| 滿量程輸出(mV) |
10∼100 |
| 零位輸出(mV) |
≤20 |
| 精度 |
0.1 |
0.3 |
0.5 |
| 非線性遲滯重複性(%FS) |
≤0.1 |
≤0.3 |
≤0.5 |
| 零點漂移(%FS/4h) |
≤0.1 |
≤0.3 |
≤0.5 |
| 零點及靈敏度溫度漂移(%FS/℃) |
≤0.01 |
≤0.03 |
≤0.05 |
| 輸入/輸出阻抗(Ω) |
500/1500 |
| 補償溫度(℃) |
0∼+60 |
| 工作溫度(℃) |
-20∼+80 |
| 工作電壓(V) |
+3 |
| 超載能力(%) |
300 |
| 回應時間(ms) |
≤1 |
| 測量介質 |
非腐蝕性氣體 |
| 膜片材料 |
氟矽凝膠 |
| 殼體材料 |
1Cr18Ni9Ti或鋁合金 |
|
介面 |
M20×1.5或用戶自定 |
|
|
|
|
|
|
◆ 三、特點: |
|
●靈敏度高,溫漂小 |
|
●進口晶片,測量精度高 |
|
●鐳射調阻溫度補償,使用溫域寬 |
|
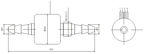
◆ 四、外型結構 |
|
 |
|
◆ 五、安裝方法 |
|
●按螺紋尺寸固定感測器。 |
 |
|
●將高低介質壓力通過紫銅管和平衡閥引入到感測器的“H” |
|
高壓腔和“L”低壓腔。 |
|
●嚴禁單端超載加壓或卸壓,以免造成損壞。 |
|
◆ 六、選型 |
|
 |