|
產 品 展 示 |
|
◆ 一、產品簡介 |
JCYB11W
系列微壓力變送器採用進口高精度、高穩定性微壓力敏晶片,經嚴格精密的溫度補償,線性補償,信號放大,經嚴格精密的溫度補償,信號放大,V/I
轉換,逆極性保護,壓力超載限流等信號處理,將很微小的風壓流量等參數可靠的轉換成工業標準的4∼20mA或0∼10mA信號輸出。
該變送器可廣泛用於石油,化工,冶金,電力,輕紡,電子,醫藥,食品,環保等領域對生產過程中十分微小的非腐蝕性氣體的差壓,流量,風壓等進行可靠的控制,是超淨廠房和鍋爐自動化檢測的理想產品。 |
 |
|
| ◆ 二、技術參數 |
量程 |
pa |
0∼±100、500……1000 |
| Mpa |
0∼2、10……1000 |
| 壓力形式 |
表壓、負壓 |
| 輸出信號 |
4∼20 mA (1∼5V) 二線制 |
| 0∼10 mA (0∼5V) 三線制 |
| 精 度 |
0.1 |
0.3 | 0.5 |
| 非線性遲滯重複性(%FS) |
≤0.1 |
≤0.3 |
≤0.5 |
| 零點漂移 (%FS/4h) |
≤0.1 |
≤0.1 |
≤0.3 |
|
零點及靈敏度溫度漂移(%FS/℃) |
≤0.01 |
≤0.02 |
≤0.03 |
長期穩定性(%FS/年) |
≤0.1 |
≤0.3 |
≤0.5 |
| 工作電壓 (V) |
+12∼+36 (標定值為+24) |
| 補償溫度 (℃) |
0∼+60 |
| 環境溫度 (℃) |
-20∼+85 |
| 超載能力 (%) |
200 |
|
壽 命 |
>1×108壓力迴圈(25℃) |
| 負載電阻(Ω) |
R=(U-12.5)/0.02-RD
其中:U為電源電壓,RD為電纜內阻 |
|
回應時間(ms) |
≤1 |
| 測量介質 |
非腐蝕性氣體 | | 殼體材料 |
1Cr18Ni9Ti 和ABS |
| 接 口 |
Φ6氣嘴或用戶自定 |
| 防爆等級 |
ExibIICT6 |
| 防護等級 |
IP65 |
| |
◆ 三、特點
|
●測非腐蝕性氣體的微壓,流量,風壓
●可連續測量負壓和正壓 ●靈敏度高。可測小於 100Pa 微小壓力
●精度高:優於0.1%FS ●穩定性好:≤0.1%FS/年,≤0.01%FS/℃ ●防浪湧電
壓,極性反向保護
●抗干擾設計 ●超載能力強
●體積小,安裝方便
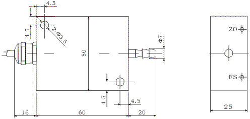
●本安防爆 | | ◆ 四、外型結構 |
 |
| ◆ 五
、選型 | |
 |
| |
| | |