|
產 品 展 示 |
|
◆ 一、產品簡介 |
|
防強腐蝕法蘭式液位變送器的感測器部分與信號處理電路做在接線盒內部。該產品專門為高溫或強腐蝕性液體而特殊設計,有效地解決了高溫粘稠強腐蝕性液體液位測量困難的問題。特別適合於高溫中、小量程和粘稠介質液體強腐蝕性介質液體的測量和控制。 |
 |
|
| ◆ 二、技術參數 |
量 程(米) |
0∼0.5……50 |
|
輸出信號 |
4∼20 mA (1∼5V) 二線制 |
| 0∼10 mA (0∼5V) 三線制 |
| 精 度
(%) |
0.1 |
0.3 | 0.5 |
| 非線性遲滯重複性(%FS) |
≤0.1 |
≤0.3 |
≤0.5 |
| 零點漂移 (%FS/4h) |
≤0.1 |
≤0.3 |
≤0.5 |
|
零點及靈敏度溫度漂移(%FS/℃) |
≤0.01 |
≤0.03 |
≤0.05 |
長期穩定性(%FS/年) |
0.1 |
0.2 |
0.3 |
| 工作電壓 (V) |
+12∼+36 (標定值為+24) |
| 補償溫度 (℃) |
0∼+80 |
| 工作溫度 (℃) |
-30∼+120 |
| 超載能力 (%) |
300 |
|
壽 命 |
>1×108壓力迴圈(25℃) |
| 負載電阻(Ω) |
R=(U-12.5)/0.02-RD
其中:U為電源電壓,RD為電纜內阻 |
| 回應時間(ms) |
≤1 |
| 測量介質 |
強腐蝕液體 |
| 膜片材料 |
Al2O3陶瓷 |
| 殼體材料 |
聚四氟乙烯法蘭 |
| 接 口 |
法蘭安裝式 |
| 防爆等級 |
ExibⅡCT6 |
| 防護等級 |
IP67 |
| |
◆ 三、特點
|
●設計獨特:平膜結構
●特別適用於高溫中小量程粘稠液體和強腐蝕性液體 ●穩定性好:優於0.2%FS/年
●使用溫度高:-30∼+120℃ ●可靠性很高 ●零點、滿量程輸出現場可調
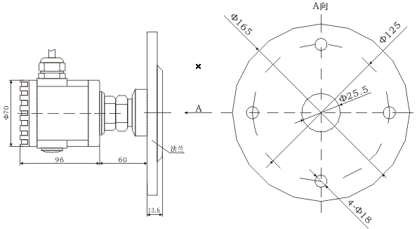
●本安防爆 | | ◆ 四、外型結構 |
 |
| ◆ 五
、選型 | |
 |
| |
| | |