|
關於駿融
|
客戶服務
|
聯繫我們
|
公司簡介
|
產品介紹
|
感測器配套儀錶
|
數字面板表
|
感測器技術應用與選型
|
聯繫我們
|
首 頁
|
技術支援熱線:
029-85363083 13008415610
::壓力變送器總匯::
.
通用型壓力變送器
.
隔離式壓力變送器
.
鎧裝型壓力變送器
.
高溫型壓力變送器
.
工業控制壓力變送器
.
一體型液位變送器
.
分體型液位變送器
.
微差壓變送器
.
隔離式差壓變送器
.
工業控制差壓變送器
.
智慧型壓力變送器
.
高頻動態壓力變送器
.
壓力開關
.
差壓開關
.
液位元開關
::壓力感測器總匯::
.
絕壓感測器
.
高精度壓力感測器
.
微型壓力感測器
.
高溫壓力感測器
.
隔離式壓力感測器
.
微差壓感測器
.
雙膜差壓感測器
.
液位式感測器
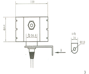
JCY-DB31-Ⅱ系列分體式液位元變送器
選型說明:
實物圖例:
1. 該變送器一般用於水及其他液體的液位計量。
2. 當用於其他液體計量時,應注明介質成分,密度及深度等。
3. 可調試變送器可對零位和滿度進行校驗調整。
4. 不可調式液位變送器可通過調整與其配套的二次儀錶來滿足使用要求。
5. 對於測量液位較為渾濁含有顆粒形雜質時變送器測量頭上應加過濾網。
技術參數:
量 程:0∼0.6m∼200m
準確度:±0.3% ±0.5%
供電:24VDC(12∼30)VDC
輸出:(4∼20)mA
使用環境溫度:(-20∼80)℃
介面:投入式
使用介質:對316無腐蝕的液體、氣體
防爆標誌:Exia II CT5
外型結構:A 電子殼體
外型結構:檢測頭
接線方式:
應用舉例:A 投入式靜水中安裝
B 投入式動水中安裝
C 管道式安裝
西部網路電子商城
新浪新聞
網 易
新 敏 郵 箱
您的位置
古城熱線
您的位置
地址:西安市長安北路40號電子大樓407室
電話:(029)85363083 85226221 13008415610
傳真:(029)85261713
E-MAIL:xinmin@51yali.com